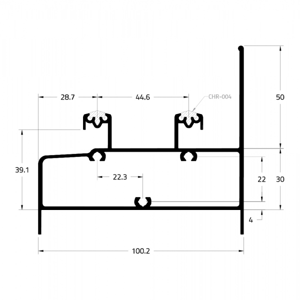
CHR-008 Travessa Intermediária (Peitoril) 2 Planos

Código

Categorias

Cores

 Peso da barra 6m: 12,348kg



Para demais cores consulte um de nossos vendedores.